
傳真:
18923864027
QQ:
709211280
地址:
深圳市福田區振中路84號愛華科研樓7層
用晶體管,三極管以PWM波形來驅動風扇的電路圖介紹這種IC的例子有兩個,一個是直流驅動,另一個是PWM驅動,如圖1和2所示。圖1中的IC遠程檢測
三極管輸入特性曲線,三極管輸出特性曲線介紹圖1-81所示是某型號三極管共發射極電路輸入特性曲線。圖中,x軸為發射結的正向偏置電壓大小,對
三極管的放大作用簡述先給出三極管內部結構圖:圖1三極管結構特點:(1) 基區很薄,且摻雜濃度低;(2) 發射區摻雜濃度比基區和集電區高得
三極管常見應用電路圖介紹關于三極管的應用電路有很多,今天就匯總一下比較典型的三極管電路,對比一起區別點以及對應的應用場合。1 下圖是
三極管的放大原理介紹關于三極管的原理,前人之述備矣,本文只強調一點:三極管是電流型放大器件,放大基極電流。放大是對模擬信號最基本的
場效應管是怎么導通的,場效應管導通與截止的條件介紹場效應管是如何導通的在使用場效應管設計開關電源或者馬達驅動電路的時候,大部分人都
TVS二極管的特性,TVS二極管應用介紹TVS二極管瞬態抑制二極管簡稱TVS(TransientVoltageSuppressor),TVS的電氣特性由P-N結面積,參雜濃度
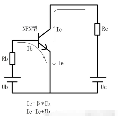
模擬電路知識,晶體管,三極管介紹晶體管是模擬電路最常見的基礎知識 。晶體管是電路設計中普遍使用的半導體組件。三極管分為兩種類型:
PNP型三極管的定義與工作原理,PNP型三極管開關電路原理解析PNP型三極管的定義及工作原理PNP型三極管是由2塊P型半導體中間夾著1塊N型半導體
三極管的工作原理與作用,三極管放大電路原理介紹三極管工作原理及作用三極管是一種三端口的半導體器件,包括一個發射極、一個基極和一個集
M7可以替換A7整流二極管嗎,二極管M7和A7的區別是什么整流二極管M7可以用什么來代替?請問貼片二極管M7的參數及能用什么管子代換?M7貼片二
硅二極管與鍺二極管的區別,怎么區分硅二極管和鍺二極管基本二極管由一根管子、一個外殼和兩個電極組成。管是一個PN結,在PN結的每一端畫一