MOS管因為其導通內阻低,開關速度快,因此被廣泛應用在開關電路上。而用好一個MOS管,其驅動電路的設計就很關鍵。下面分享幾種常用的驅動電路。
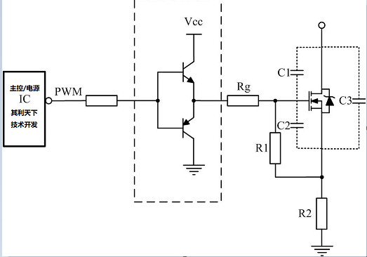
01 IC直接驅動


IC直接驅動是最簡單的驅動方式,應該注意幾個參數以及這些參數的影響。
①查看電源IC手冊的最大驅動峰值電流,因為不同芯片,驅動能力很多時候是不一樣的。
②了解MOS管的寄生電容,如圖C1、C2的值,這個寄生電容越小越好。如果C1、C2的值比較大,MOS管導通的需要的能量就比較大,如果電源IC沒有比較大的驅動峰值電流,那么管子導通的速度就比較慢,就達不到想要的效果。
02 推挽驅動


當IC驅動能力不足時,可用推挽驅動。
這種驅動電路好處是提升電流提供能力,迅速完成對于柵極輸入電容電荷的充電過程。這種拓撲增加了導通所需要的時間,但是減少了關斷時間,開關管能快速開通且避免上升沿的高頻振蕩。
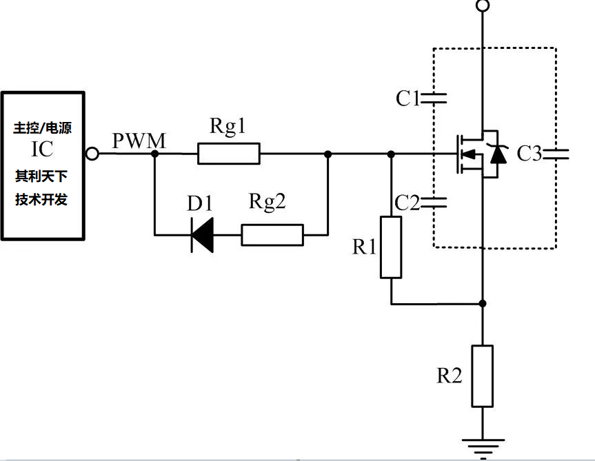
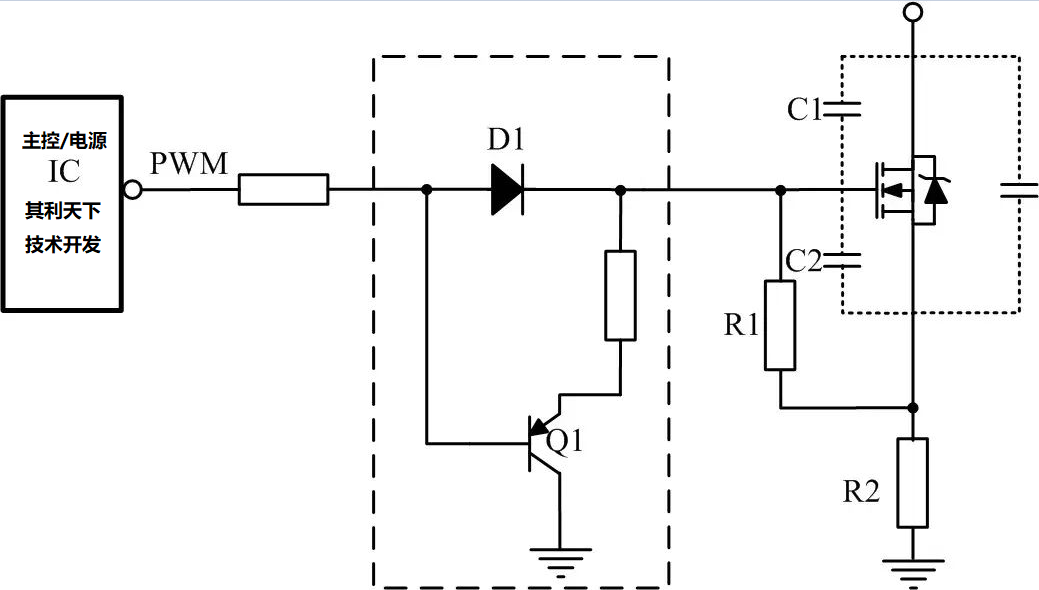
03 加速關斷驅動


MOS管一般都是慢開快關。在關斷瞬間驅動電路能提供一個盡可能低阻抗的通路供MOSFET柵源極間電容電壓快速泄放,保證開關管能快速關斷。
為使柵源極間電容電壓的快速泄放,常在驅動電阻上并聯一個電阻和一個二極管,如上圖所示,其中D1常用的是快恢復二極管。這使關斷時間減小,同時減小關斷時的損耗。Rg2是防止關斷的時電流過大,把IC給燒掉。


用三極管來泄放柵源極間電容電壓是比較常見的。如果Q1的發射極沒有電阻,當PNP三極管導通時,柵源極間電容短接,達到最短時間內把電荷放完,最大限度減小關斷時的交叉損耗。
還有一個好處,就是柵源極間電容上的電荷泄放時電流不經過電源IC,提高了可靠性。
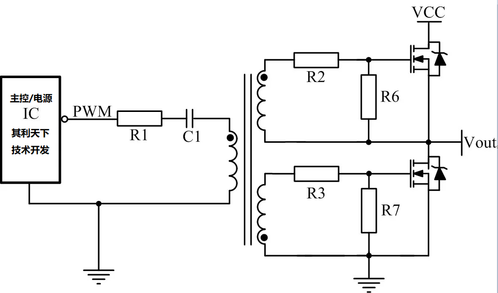
04 隔離驅動


為了滿足高端MOS管的驅動,經常會采用變壓器驅動。其中R1目的是抑制PCB板上寄生的電感與C1形成LC振蕩,C1的目的是隔開直流,通過交流,同時也能防止磁芯飽和。
〈烜芯微/XXW〉專業制造二極管,三極管,MOS管,橋堆等,20年,工廠直銷省20%,上萬家電路電器生產企業選用,專業的工程師幫您穩定好每一批產品,如果您有遇到什么需要幫助解決的,可以直接聯系下方的聯系號碼或加QQ/微信,由我們的銷售經理給您精準的報價以及產品介紹
〈烜芯微/XXW〉專業制造二極管,三極管,MOS管,橋堆等,20年,工廠直銷省20%,上萬家電路電器生產企業選用,專業的工程師幫您穩定好每一批產品,如果您有遇到什么需要幫助解決的,可以直接聯系下方的聯系號碼或加QQ/微信,由我們的銷售經理給您精準的報價以及產品介紹
聯系號碼:18923864027(同微信)
QQ:709211280

