ADC0809是一種CMOS工藝8通道,8位逐次逼近式A/D模數轉換器。其內部有一個8通道多路開關,它可以根據地址碼鎖存譯碼后的信號,只選通8路模擬輸入信號中的一個進行A/D轉換。主要適用于對精度和采樣速率要求不高的場合或一般的工業控制領域,可以和單片機直接相連。


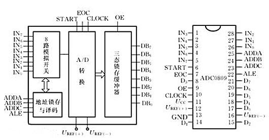
ADC0809引腳定義
ADC0809芯片有28條引腳,采用雙列直插式封裝。
各引腳功能:
IN0~IN7:8路模擬量輸入端。
2-1~2-8:8位數字量輸出端。
ADDA、ADDB、ADDC:3位地址輸入線,用于選通8路模擬輸入中的一路。
ALE:地址鎖存允許信號,輸入端,產生一個正脈沖以鎖存地址。
通道選擇表如下所示:


START: A/D轉換啟動脈沖輸入端,輸入一個正脈沖(至少100ns寬)使其啟動(脈沖上升沿使0809復位,下降沿啟動A/D轉換)。
EOC: A/D轉換結束信號,輸出端,當A/D轉換結束時,此端輸出一個高電平(轉換期間一直為低電平)。
OE:數據輸出允許信號,輸入端,高電平有效。當A/D轉換結束時,此端輸入一個高電平,才能打開輸出三態門,輸出數字量。
CLK:時鐘脈沖輸入端。時鐘頻率范圍為10KHz-1280KHz。
REF(+)、REF(-):基準電壓。
Vcc:電源,單一+5V。
GND:地。
adc0809工作過程
首先輸入3位地址,并使ALE=1,將地址存入地址鎖存器中。此地址經譯碼選通8路模擬輸入之一到比較器。START上升沿將逐次逼近寄存器復位。下降沿啟動 A/D轉換,之后EOC輸出信號變低,指示轉換正在進行。
直到A/D轉換完成,EOC變為高電平,指示A/D轉換結束,結果數據已存入鎖存器,這個信號可用作中斷申請。當OE輸入高電平 時,輸出三態門打開,轉換結果的數字量輸出到數據總線上。
轉換數據的傳送 A/D轉換后得到的數據應及時傳送給單片機進行處理。數據傳送的關鍵問題是如何確認A/D轉換的完成,因為只有確認完成后,才能進行傳送??刹捎孟率鋈N方式。
(1)定時傳送方式
對于一種A/D轉換器來說,轉換時間作為一項技術指標是已知的和固定的。例如ADC0809轉換時間為128μs,相當于6MHz的MCS-51單片機共64個機器周期??蓳嗽O計一個延時子程序,A/D轉換啟動后即調用此子程序,延遲時間一到,轉換肯定已經完成了,接著就可進行數據傳送。
(2)查詢方式
A/D轉換芯片有表明轉換完成的狀態信號,例如ADC0809的EOC端。因此可以用查詢方式,測試EOC的狀態,即可確認轉換是否完成,并接著進行數據傳送。
(3)中斷方式
把表明轉換完成的狀態信號(EOC)作為中斷請求信號,以中斷方式進行數據傳送。
不管使用上述哪種方式,只要一旦確定轉換完成,即可通過指令進行數據傳送。首先送出口地址并以信號有效時,OE信號即有效,把轉換數據送上數據總線,供單片機接受。
adc0809控制時序


adc0809控制時序如圖,adc0809驅動程序是基于時序圖來編程。
〈烜芯微/XXW〉專業制造二極管,三極管,MOS管,橋堆等,20年,工廠直銷省20%,上萬家電路電器生產企業選用,專業的工程師幫您穩定好每一批產品,如果您有遇到什么需要幫助解決的,可以直接聯系下方的聯系號碼或加QQ/微信,由我們的銷售經理給您精準的報價以及產品介紹
聯系號碼:18923864027(同微信)
QQ:709211280

