36V欠壓保護電路圖(一)
電路工作原理:
輸出電壓低于規定值時,反映了輸入直流電源、開關穩壓器內部或者輸出負載發生了異常。輸入直流電源電壓下降到規定值之下時,會導致開關穩壓器的輸出電壓跌落,輸入電流增大,既危及開關三極管,也危及輸入電源。因此,要設欠電壓保護。簡單的欠電壓保護如圖1所示。

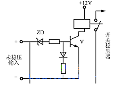
圖1 輸入欠電壓保護
當未穩壓輸入的電壓值正常時,穩壓管ZD擊穿,晶體管V導通,繼電器動作,觸點吸合,開關穩壓器加電。當輸入低于所允許的最低電壓值時,穩壓管ZD不通,V截止,觸點跳開,開關穩壓器不能工作。
開關穩壓器內部,由于控制電路失?;蛘唛_關三極管失效會使輸出電壓下降;負載發生短路也會使輸出電壓下降。特別在升壓型或反相升壓型的直流開關穩壓器中欠電壓的保護是跟過電流保護緊密相關的,因而更加重要。實現方法是在開關穩壓器的輸出端接電壓比較器,如圖2所示。

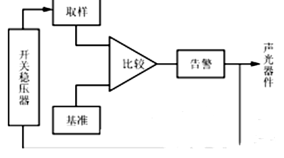
圖2 欠 壓保護方框圖
正常時,比較器沒有輸出,一旦電壓跌落在允許值之下比較器就翻轉,驅動告警電路;同時反饋到開關穩壓器的控制電路,使開關三極管截止或切斷輸入電源。
36V欠壓保護電路圖(二)
電路工作原理:
本電路由11個元件組成,電路簡潔,反應靈敏,其應用范圍也比較寬廣,電壓范圍和功率容量可以通過使用不同的器件而改變,并且可采用貼片元件,使體積進一步減小。

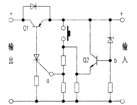
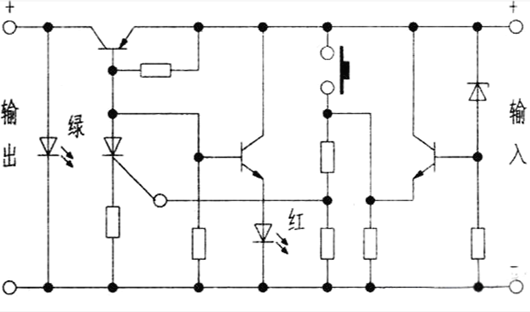
電路如上圖所示。在電壓正常的情況下,b點電位較高,故a點電位相應也較高;晶閘管導通,所以Ql導通,輸出端的負載正常1工作。當輸入電壓降低到一定程度時.b點電位相應下降,Q2導通程度減弱使a點電位降低,可控硅關斷,使Ql截止,切斷了對負載的供電。當外部電壓正?;螂姵爻渥汶姾?,對其手動復位即可。若需安裝指示電路可按下圖所示安裝,采用三色發光二極管進行指示即可。

本電路可用于電動車、充電燈、礦燈等對鉛酸電池進行過放電保護,也可接入低壓直流供電回路中保護負載。在此,在應用鉛酸電池的場合中,應盡量加裝欠壓保護器,并能在單格電壓降至1.9V左右時實行保護,以延長電池的使用壽命。
注意本電路在不同的應用場合應合理選擇器件,并留有一定余量,以保證電路的穩定工作。
36V欠壓保護電路圖(三)
電路工作原理:
當電源產生過流、過壓、欠壓故障時,V1、V2、V3為高電平,D觸發器檢測到該脈沖電平,鎖存故障。再送入到或門,使得故障輸出V7為高電平。V7分為兩路:一路送到驅動電路中,關掉驅動,保護主回路IGBT開關管;另一路送到控制保護電路中,關斷三相380的輸入。

36V欠壓保護電路圖(四)
在做逆變器時,我們總是要設計一款欠壓過壓保護電路,如圖中的電路有如下特點:
1.只用了一個單元的比較器來完成欠壓和過壓保護功能,所以相對于用二個比較器的電路來講,比較簡單。
2.當BT電壓降到10.5以下時,比較器輸出高電平,關閉3525的PWM輸出,因為該比較器加了一個正反饋電阻R5,所以電路具有回差值,這時,如果BT回升到12.2V時,比較器反轉,輸出低電平,逆變器又自動重新啟動。
3.當BT電壓因為某種原因升到14.8以上時,D1導通,比較器輸出高電平,關閉逆變器。D1穩壓值為13.3V時,保護門限為14.8V,如要沒有合適的穩壓管,可以用10V+3.3V二個串聯起來用,效果一樣的。
如上是12V時的參數,如果要用于24V系統,只要改動幾個電阻的參數就可以了。

〈烜芯微/XXW〉專業制造二極管,三極管,MOS管,橋堆等,20年,工廠直銷省20%,上萬家電路電器生產企業選用,專業的工程師幫您穩定好每一批產品,如果您有遇到什么需要幫助解決的,可以直接聯系下方的聯系號碼或加QQ/微信,由我們的銷售經理給您精準的報價以及產品介紹
聯系號碼:18923864027(同微信)
QQ:709211280

