具有自恢復功能的過流保護電路
具有自恢復功能的過流保護電路這款無電流取樣的過流保護電路具有短路點撤除后能自動恢復輸出的特點,保護時較工作時電流要小得多,即使長時間短路,也不會損壞電源,電路如附圖。
原理:電路正常時,T3飽和,T1工作在導通狀態,所以T1的C、E兩端電壓較低,穩壓管不能導通,故T2截止,電源輸出正常。
當輸出端由于某種原因過流或短路,使T1的C、E之間的壓差大于穩壓管和LED的導通值時,T2的基極有電流流過,T2由截止轉為導通,T4導通,使T3、T1截止,電源無輸出。LED是過流指示燈。
T1截止后,R7對C1進行充電,為T3的下次啟動創造了條件,但短路點還沒有撤除時,電流經R7、R4、T4流入地,故T1仍然截止,電路無輸出;
如果短路點此時撤除,從R7上流過的電流就流進T3的基極,T3導通,使T1正常閉合,電路輸出恢復正常。根據具體需要,更換不同穩壓值的DZ可獲得不同的保護點。

帶自鎖的過流保護電路

1.第一個部分是電阻取樣,負載和R1串聯,大家都知道。串聯的電流相等,.R2上的電壓隨著負載的電流變化而變化,電流大,R2兩端電壓也高,.R3 D1組成運放保護電路,防止過高的電壓進入運放導致運放損壞,.C1是防止干擾用的。
2.第二部分是一個大家相當熟悉的同相放大器,由于前級的電阻取樣的信號很小,所以得要用放大電路放大。才能用,放大倍數由VR1 R4決定。
3.第三部分是一個比較器電路,放大器把取樣的信號放大,然后經過這級比較,從而去控制后級的動作,是否切斷電源或別的操作,比較器是開路輸出。所以要加上上位電阻,不然無法輸出高電平。
4.第四部分是一個驅動繼電器的電路,這個電路和一般所不同的是,這個是一個自鎖電路, 一段保護信號過來后,這個電路就會一直工作,直到斷掉電源再開機,這個自鎖電路結構和單向可控硅差不多。
過流保護自恢復電路圖
過流保護用PTC熱敏電阻通過其阻值突變限制整個線路中的消耗來減少殘余電流值。
可取代傳統的保險絲,廣泛用于馬達、變壓器、開關電源、電子線路等的過流過熱保護,傳統的保險絲在線路熔斷后無法自行恢復, 而過流保護用PTC熱敏電阻在故障撤除后即可恢復到預保護狀態,當再次出現故障時又可以實現其過流過熱保護功能 。

過流保護自恢復電路圖
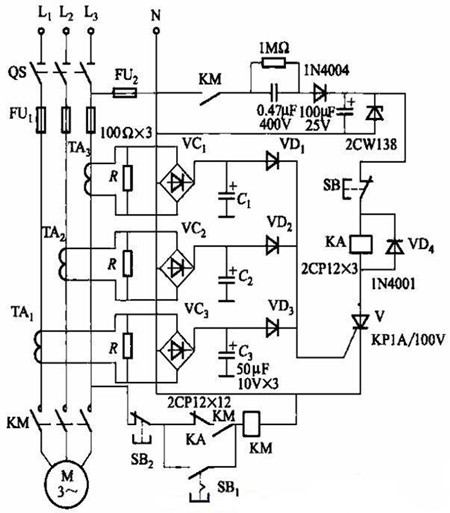
當電動機啟動時,按一下帶鎖扣式按鈕SBi,啟動結束(電動機轉速穩定后),再按一下SBi,這時保護電路投入工作。對于啟動時間短(如數秒)的電動機,SBi也可采用普通按鈕,只要在啟動過程中一直按著SBi即可。
電動機正常運行時,電流互感器TAi~TA3次級感應電勢較小,也不足以觸發晶閘管V。如下圖所示。

〈烜芯微/XXW〉專業制造二極管,三極管,MOS管,橋堆等,20年,工廠直銷省20%,上萬家電路電器生產企業選用,專業的工程師幫您穩定好每一批產品,如果您有遇到什么需要幫助解決的,可以直接聯系下方的聯系號碼或加QQ/微信,由我們的銷售經理給您精準的報價以及產品介紹
聯系號碼:18923864027(同微信)
QQ:709211280

