12v開關電源其實是能夠有效地維持輸出電壓穩定的一種電源。
那么如果開關電源的電壓不穩定將會影響到設備的正常運行,我們要怎么把電壓調到適合的位置,12v開關電源怎么調電壓,我們可以先看下12v開關電源電路圖講解,這樣就會明白12v開關電源怎么調電壓,一起學習吧!
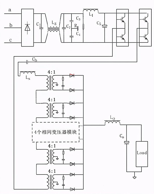
主電路的拓撲結構
鑒于如此大功率的輸出,高頻逆變部分采用以IGBT為功率開關器件的全橋拓撲結構,整個主電路如圖1所示,包括:工頻三相交流電輸入、二極管整流橋、EMI濾波器、濾波電感電容、高頻全橋逆變器、高頻變壓器、輸出整流環節、輸出LC濾波器等
隔直電容Cb是用來平衡變壓器伏秒值,防止偏磁的??紤]到效率的問題,諧振電感LS只利用了變壓器本身的漏感。因為如果該電感太大,將會導致過高的關斷電壓尖峰,這對開關管極為不利,同時也會增大關斷損耗。
另一方面,還會造成嚴重的占空比丟失,引起開關器件的電流峰值增高,使得系統的性能降低。

控制電路的設計
由于在本電源中使用的開關元件的過載承受能力有限,必須對輸出電流進行限制,因此,控制電路采用電壓電流雙環結構(內環為電流環,外環為電壓環),調節器均為PID。
圖8為控制電路的原理框圖。加入電流內環后,不僅可以對輸出電流加以限制,并且可以提高輸出的動態響應,有利于減小輸出電壓的紋波。
在實際的控制電路中采用了穩壓、穩流自動轉換方式。圖9為穩壓穩流自動轉換電路。
開關電源原理是:穩流工作時,電壓環飽和,電壓環輸出大于電流給定,從而電壓環不起作用,只有電流環工作;
在穩壓工作時,電壓環退飽和,電流給定大于電壓環的輸出,電流給定運算放大器飽和,電流給定不起作用,電壓環及電流環同時工作,此時的控制器為雙環結構。
這種控制方式使得輸出電壓、輸出電流均限制在給定范圍內,具體的工作方式由給定電壓、給定電流及負載三者決定。

由于本電源的容量為60kW,為了提高效率、減小體積、提高可靠性,因此,采用軟開關技術。
高頻全橋逆變器的控制方式為移相FB-ZVS控制方式它利用變壓器的漏感及管子的寄生電容諧振來實現ZVS。
控制芯片采用Unitrode公司生產的UC3875N。通過移相控制,超前橋臂在全負載范圍內實現了零電壓軟開關,滯后橋臂在75%以上的負載范圍內實現了零電壓軟開關。
圖2為滯后橋臂IGBT的驅動電壓和集射極電壓波形,可以看出實現了零電壓開通。
12v開關電源電路圖講解

1、市電經D1整流及C1濾波后得到約300V的直流電壓加在變壓器的①腳(L1的上端),同時此電壓經R1給V1加上偏置后后使其微微導通,有電流流過L1,同時反饋線圈L2的上端(變壓器的③腳)形成正電壓,
此電壓經C4、R3反饋給V1,使其更導通,乃至飽和,最后隨反饋電流的減小,V1迅速退出飽和并截止,如此循環形成振蕩,在次級線圈L3上感應出所需的輸出電壓。
2、L2是反饋線圈,同時也與D4、D3、C3一起組成穩壓電路。
當線圈L3經D6整流后在C5上的電壓升高后,同時也表現為L2經D4整流后在C3負極上的電壓更低,當低至約為穩壓管D3(9V)的穩壓值時D3導通,使V1有基極短路到地,關斷V1,最終使輸出電壓降低。
3、電路中R4、D5、V2組成過流保護電路。當某些原因引起V1的工作電流大太時,R4上產生的電壓互感器經D5加至V2基極,V2導通,V1基極電壓下降,使V1電流減小。
D3的穩壓值理論為9V+0.5~0.7V,在實際應用時,若要改變輸出電壓,只要更換不同穩壓值的D3即可,穩壓值越小,輸出電壓越低,反之則越高。
電話:18923864027(同微信)
QQ:709211280
〈烜芯微/XXW〉專業制造二極管,三極管,MOS管,橋堆等,20年,工廠直銷省20%,上萬家電路電器生產企業選用,專業的工程師幫您穩定好每一批產品,如果您有遇到什么需要幫助解決的,可以直接聯系下方的聯系號碼或加QQ/微信,由我們的銷售經理給您精準的報價以及產品介紹

