KBU1006整流橋,KBU1006整流橋參數規格書
KBU1006整流橋,KBU1006封裝為KBU,KBU1006整流橋參數,KBU1006規格書
KBU1006整流橋,KBU1006封裝為KBU,KBU1006整流橋參數,KBU1006規格書

KBU1006整流橋參數規格書:點擊查看

KBU1006整流橋參數具體如下:
Maximum repetitive peak reverse voltage VRRM最大重復峰值反向電壓:600V
Maximum DC blocking voltage VDC最大直流阻斷電壓:600V
Maximum average forward rectified current IF(AV) 最大平均正向整流電流:10A
Maximum forward voltage at 4.0A DC 4.0A DC 時的最大正向電壓:1.0V
Maximum Reverse Current at Ta=25℃ Ta=25℃時的最大反向電流:10uA
at Rated DC Blocking Voltage TA=125℃ 在額定隔直電壓 TA=125℃:0.5mA
Operating temperature range TJ 工作溫度范圍:-55 to +150°C
storage temperature range TSTG 儲存溫度范圍:-55 to +150°C
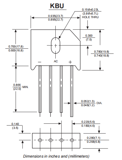
KBU1006整流橋堆封裝,KBU封裝尺寸:

〈烜芯微/XXW〉專業制造二極管,晶體三極管,MOS管,整流橋堆等,20年,工廠直銷省20%,上萬家電路電器生產企業選用,專業的工程師幫您穩定好每一批產品,如果您有遇到什么需要幫助解決的,可以直接聯系下方的聯系號碼或加QQ/微信,由我們的銷售經理給您精準的報價以及產品介紹
聯系號碼:18923864027(同微信)
QQ:709211280


