TDA2822是低電壓小功率功放集成功放電路,由于價格極為低廉(幾毛一塊),線路簡單,因此在低檔收錄機以及小音箱中廣泛應用。TDA2822采用雙聲道設計,其最大供電電壓為15V,最大電流1。5A,最小輸入電阻100KΩ,當輸入電壓為9V,輸出為4Ω時,頻率為1KHZ時,輸出功率為1。7W/聲道。本文介紹了TDA2822的五種典型應用電路
1.音頻耳機
本電路由音頻感應線圈L、功放和耳塞三部分組成。功放集成塊選用TDA2822,該集成電路靈敏度高、功耗低,電壓范圍寬(1.8~15V),外圍元件少、無噪聲(實際運用時,任選一聲道即可)。
L可用原耳機上的音頻感應線圈,也可自制。自制時可選用φ0.07mm的漆包線在ICm長的磁芯上繞1500匝左右,直流電阻約120歐,線圈匝數少了會降低靈敏度。耳塞采用外接隨身聽耳塞(本機采用兩聲道并聯)。圖中RP為音量電位器,C1為旁路電容,C2為輸出耦合電容,電源開關選用微型開關,印制電路自制時可用刀刻。制作好的印制電路如圖1所示。印制板可與5號(或7號電池夾做得一樣大,便于將電池夾固定在銅箔面。音頻感應線圈也可貼在印制板的元件面,這樣,整機就可以不要外殼。
本電路不需調試,一裝即成。整機電流小于SmA,電源電壓降至1.8V仍可正常工作。

圖1 音頻感應線圈和印制電路
2.高保真數字廣播小功放
圖2是集成電路TDA2822的供電直接取自機頂盒后面板上的USB插座上,其中USB插頭需要自己動手接線,注意不要接反電源電壓的極性。在信號輸入端IN用一根音頻線連到機頂盒音頻輸出口上,喇叭用8Ω 1W左右的小紙盆喇叭,最后用一個廢棄的小音箱把電路和喇叭裝好,就成了一個不用外接電源的機預盒數字廣播音箱調節可變電位器W就可以調節音量的大小了。本集成電路TDA2822采用BTL連接方式,其靜態電流為6mA~9mA,輸出功率可達1W左右。

圖2 集成電路TDA2822的高保真數字廣播小功放電路圖
3.耳聾助聽器
這個耳聾助聽器由TDA2822雙功放集成電路加上少量外圍元件組成,它與市場上的普及機相比具有輸出功率大、電壓范圍寬等特點,工作電壓為1.8—15V,適合中、輕度耳聾患者使用。

圖3 助聽器電原理圖
3.1工作原理
該助聽器電原理圖見圖3。其工作原理較簡單:駐極體話筒連接成高增益的漏極輸出電路,并將外界聲波轉換成電信號。TDA2822組成BTL功放電路,對話筒輸出的音頻信號進行放大,并以足夠的功率推動耳機發聲。為了減小耦合引起的損耗,采用變壓器耦合,初級加接C2,可以濾除一部分感應噪音,次級與RP連接,以控制音量大小。另R1、C1組成去耦電路,以防止信號通過電源引起反饋;R2、C6為BTL電路的頻率補償。
3.2元器件選擇與制作
元器件清單見下表

音頻變壓器T用袖珍收音機輸入放大器代用,如自繞,采用E14鐵芯,初次級均用Φ=0.06mm漆包線各繞2000匝。音量電位器RP采用WH135可變電阻直接焊在印板上。耳機孔為2.5mm臥式二芯插座。
這個電路只要裝配正確,無須調試即能正常工作。電源采用兩節5號電池,靜態工作電流為6mA。
4.小型床頭聽音系統
小型床頭聽音系統的電路如圖4所示。本音響系統采用兩只TDA2822M集成電路,具有體積小、組裝簡單、放音效果好等優點,尤其是加強了低音效果,非常適合住集體宿舍的“發燒友”一族制作。IC1、IC2均為立體聲功放集成電路TDA2822M,其中IC1組成雙聲道功率放大電路,音源信號經電阻R1、R3及雙聯電位器RP1-1、RPl-2送入ICl進行功率放大,放大后的音頻信號推動揚聲器BL1、BL2工作。IC2以BTL電路形式構成低音效果功放,使用時由開。

圖4 小型床頭聽音系統的電路圖
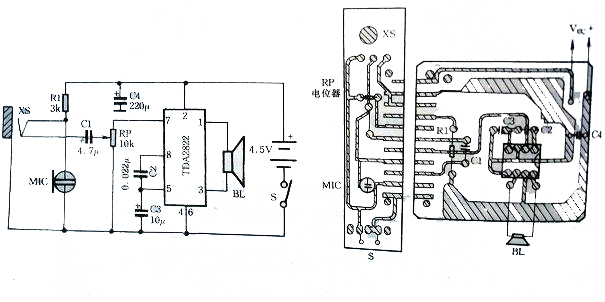
5.喊話器、有源音箱兩用機
喊話器、有源音箱兩用機電原理圖如圖5所示,本電路即可作小型擴音喊話使用,也可適用于袖珍立體收放機、收音機,作為音頻功率放大器用揚聲器放音。整個電路采用3節5號電池(4.5)供電,其靜態電流為6mA ~ 9mA,輸出功率可達1W左右。 本電路將TDA2822集成內部的兩個功放級接成橋式電路,稱BTL電路。BTL電路的優點是:制作容易,攜帶使用方便,可減少失真, 改善音質,增加輸出功率,并使電路大為簡化。

圖5 喊話器、有源音箱兩用機電原理圖
電路原理
本機工作原理如下:合上開關S,當對面話筒MIC講話時,音頻話音就經C1、RP從集成電路TDA2822的⑦腳輸入,經過內部BTL功放電路。放大后,由揚聲器BL發生時,發音清晰明亮,并可由電位器RP調節音量的大小。
電話:18923864027(同微信)
QQ:709211280
〈烜芯微/XXW〉專業制造二極管,三極管,MOS管,橋堆等,20年,工廠直銷省20%,上萬家電路電器生產企業選用,專業的工程師幫您穩定好每一批產品,如果您有遇到什么需要幫助解決的,可以直接聯系下方的聯系號碼或加QQ/微信,由我們的銷售經理給您精準的報價以及產品介紹

