二極管半波整流電路實際上利用了二極管的單向導電特性。
當輸入電壓處于交流電壓的正半周時,二極管導通,輸出電壓vo=vi-vd。當輸入電壓處于交流電壓的負半周時,二極管截止,輸出電壓vo=0。半波整流電路輸入和輸出電壓的波形如圖所示。

對于使用直流電源的電動機等功率型的電氣設備,半波整流輸出的脈動電壓就足夠了。但對于電子電路,這種電壓則不能直接作為半導體器件的電源,還必須經過平滑(濾波)處理。平滑處理電路實際上就是在半波整流的輸出端接一個電容,在交流電壓正半周時,交流電源在通過二極管向負載提供電源的同時對電容充電,在交流電壓負半周時,電容通過負載電阻放電。

通過上述分析可以得到半波整流電路的基本特點如下:
(1)半波整流輸出的是一個直流脈動電壓。
(2)半波整流電路的交流利用率為50%。
(3)電容輸出半波整流電路中,二極管承擔最大反向電壓為2倍交流峰值電壓(電容輸出時電壓疊加)。
(3)實際電路中,半波整流電路二極管和電容的選擇必須滿足負載對電流的要求。
全波整流
當輸入電壓處于交流電壓的正半周時,二極管D1導通,輸出電壓Vo=vi-VD1。當輸入電壓處于交流電壓的負半周時,二極管D2導通,輸出電壓Vo=vi-VD2。

由上述分析可知,二極管全波整流電路輸出的仍然是一個方向不變的脈動電壓,但脈動頻率是半波整流的一倍。
通過與半波整流相類似的計算,可以得到全波整流輸出電壓有效值Vorsm=0.9Ursm。
全波整流輸出的直流脈動電壓仍然不能滿足電子電路對直流電源的要求,必須經過平滑(濾波)處理。與半波整流相同,平滑處理電路是在全波整流的輸出端接一個電容。電容在脈動電壓的兩個峰值之間向負載放電,使輸出電壓得到相應的平滑。
通過上述分析可以得到半波整流電路的基本特點如下:
(1)半波整流輸出的是一個直流脈動電壓。
(2)半波整流電路的交流利用率為50%。
(3)電容輸出半波整流電路中,二極管承擔最大反向電壓為2倍交流峰值電壓(電容輸出時電壓疊加)。
(3)實際電路中,半波整流電路二極管和電容的選擇必須滿足負載對電流的要求。
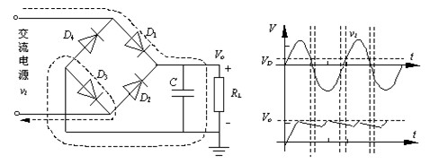
橋式整流
所謂橋式整流電路,就是用二極管組成一個整流電橋。
當輸入電壓處于交流電壓正半周時,二極管D1、負載電阻RL、D3構成一個回路(圖5中虛線所示),輸出電壓Vo=vi-VD1-VD3。輸入電壓處于交流電壓負半周時,二極管D2、負載電阻RL、D4構成一個回路,輸出電壓Vo=vi-VD2-VD4。圖中濾波電容的工作狀態(tài)。

由上述分析可知,二極管橋式整流電路輸出的也是一個方向不變的脈動電壓,但脈動頻率是半波整流的一倍。與半波整流輸出電壓有效值計算相類似,可以得到橋式整流輸出電壓有效值Vorsm=0.9Ursm。
通過上述分析,可以得到橋式整流電路的基本特點如下:
(1)橋式整流輸出的是一個直流脈動電壓。
(2)橋式整流電路的交流利用率為100%。
(3)電容輸出橋式整流電路,二極管承擔的最大反向電壓為2倍的交流峰值電壓(電容輸出時電壓疊加)。
(4)橋式整流電路二極管的負載電流僅為半波整流的一半。
(5)實際電路中,橋式整流電路中二極管和電容的選擇必須滿足負載對電流的要求。
烜芯微專業(yè)制造二極管,三極管,MOS管,橋堆等20年,工廠直銷省20%,上萬家電路電器生產企業(yè)選用,專業(yè)的工程師幫您穩(wěn)定好每一批產品,如果您有遇到什么需要幫助解決的,可以點擊右邊的工程師,或者點擊銷售經理給您精準的報價以及產品介紹
烜芯微專業(yè)制造二極管,三極管,MOS管,橋堆等20年,工廠直銷省20%,上萬家電路電器生產企業(yè)選用,專業(yè)的工程師幫您穩(wěn)定好每一批產品,如果您有遇到什么需要幫助解決的,可以點擊右邊的工程師,或者點擊銷售經理給您精準的報價以及產品介紹

