
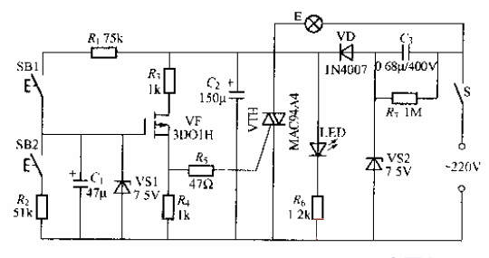
雙按鍵場效應管調光燈電路見圖
它采用兩個輕觸按鍵開關進行調光,一個用來調亮,另一個用來調暗,具有使用方便,外形美觀等優點。
C2;C3;VD與VS2等組成簡單的電容降壓半波整流穩壓電源,供給整個控制電路用電,
此電源由開關S進行通斷控制,它可以是一個普通的撥動式小開關,也可以是一個隱藏在臺
燈面板上的輕觸按鍵開關。
平時開關S打開,臺燈不亮,需要開燈時,只要將一個小玩偶放在它上面,開關受壓,觸點閉臺,電路即通電T作。
SB1、SB2是分別用來調亮與調暗的輕觸按鍵開關,發光管IED為電路T作指示燈。
MOS場效應管VF與阻容元件R1、C1等構成雙向晶閘管VTH的觸發電路,VS1星用來保護VF-。
當按下SB1時,電源由R1、SB1向C1充電,使VF的柵極電壓上升,其電源電流增大,晶閘管VTH觸發電流增大,導通角變大,燈泡E的亮度就變大;當按下SB2時.C1儲存的電荷就通過SB2、R2泄放,使VF柵極電壓下降,其漏源電流就減小,VTH的觸發電流也隨之減小,導通角變小,燈泡E亮度減弱。
當S1、SB2均打開時,由于MOS場效應管的柵源電阻極大,C1兩端的電壓可基本保持不變,因此晶閘管VTH的導通角也基本不變,所以燈亮度可保持不變。為使燈泡亮度更加穩定,應適當增大電容C1的容量,并要求C1的漏電流盡可能小些。
烜芯微專業制造二極管,三極管,MOS管,橋堆等,20年,工廠直銷省20%,1500家電路電器生產企業選用,專業的工程師幫您穩定好每一批產品,如果您有遇到什么需要幫助解決的,可以直接聯系上方的聯系號碼或加QQ,由我們的銷售經理給您精準的報價以及產品介紹

