MOSFET又叫場效應管,輸入電阻極大,兆歐級的,容易驅動,因導通內阻低、開關速度快等優點而廣泛應用于開關電源中。在使用MOSFET設計開關電源時,大部分人都會考慮導通電阻、最大電壓、最大電流,常根據電源IC和MOSFET的參數來選擇合適的電路。但很多時候僅僅考慮了這些因素并不是一個好的設計方案,還應考慮本身寄生的參數。Mos管驅動電路,驅動腳輸出的峰值電流,上升速率等都會影響MOSFET的開關性能。下面介紹下模塊電源中常用的幾種MOSFET驅動電路。
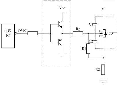
1、電源IC直接驅動MOSFET:
電源IC直接驅動是我們最常用的驅動方式,同時也是最簡單的驅動方式,使用這種驅動方式的模塊電源,應該注意幾個參數以及這些參數的影響。


1、查看一下電源IC手冊,其最大驅動峰值電流,因為不同芯片,驅動能力很多時候是不一樣的。
2、了解一下MOSFET的寄生電容,如上圖中C1、C2的值。如果C1、C2的值比較大,MOS管導通的需要的能量就比較大,如果電源IC沒有比較大的驅動峰值電流,那么管子導通的速度就比較慢。如果驅動能力不足,上升沿可能出現高頻振蕩,即使把上圖中Rg減小也不能解決問題。IC驅動能力、MOS寄生電容大小、MOS管開關速度等因素,都影響驅動電阻阻值的選擇,所以Rg并不能無限減小。
2、電源IC驅動能力不足時:
如果選擇MOS管寄生電容比較大,電源IC內部的驅動能力又不足時,需要在驅動電路上增強驅動能力,常用圖騰柱電路增加電源IC驅動能力,如下圖所示:


這種驅動電路作用在于提升電流提供能力,迅速完成對于柵極輸入電容電荷的充電過程。這種拓撲增加了導通所需要的時間,但是減少了關斷時間,開關管能快速開通且避免上升沿的高頻振蕩。
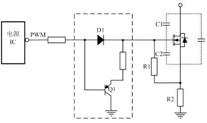
3、驅動電路加速MOS管關斷時間:
關斷瞬間驅動電路能提供一個盡可能低阻抗的通路供MOSFET柵源極間電容電壓快速泄放,保證開關管能快速關斷。為使柵源極間電容電壓的快速泄放,常在驅動電阻上并聯一個電阻和一個二極管。


如上圖所示:其中D1常用的是快恢復二極管,這使關斷時間減小,同時減小關斷時的損耗。Rg2是防止關斷的時電流過大,把電源IC給燒掉。
在介紹第二種的圖騰柱電路也有加快關斷作用,當電源IC的驅動能力足夠時,對電路改進可以加速MOS管關斷時間。


如上圖所示:用三極管來泄放柵源極間電容電壓是比較常見的。如果Q1的發射極沒有電阻,當PNP三極管導通時,柵源極間電容短接,達到最短時間內把電荷放完,最大限度減小關斷時的交叉損耗。與上面拓撲相比較,還有一個好處,就是柵源極間電容上的電荷泄放時電流不經過電源IC,提高了模塊電源可靠性。
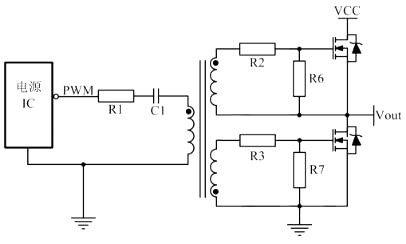
4、隔離驅動:


為了滿足上圖所示高端MOS管的驅動,經常會采用變壓器驅動,有時為了滿足安全隔離也使用變壓器驅動。其中R1目的是抑制PCB板上寄生的電感與C1形成LC振蕩,C1的目的是隔開直流,通過交流,同時也能防止磁芯飽和。
一個好的MOSFET驅動電路主要有以下五種要求:
1、開關管開通瞬時,驅動電路應能提供足夠大的充電電流使MOSFET柵源極間電壓迅速上升到所需值,保證開關管能快速開通且不存在上升沿的高頻振蕩。
2、開關導通期間驅動電路能保證MOSFET柵源極間電壓保持穩定且可靠導通。
3、關斷瞬間驅動電路能提供一個盡可能低阻抗的通路供MOSFET柵源極間電容電壓的快速泄放,保證開關管能快速關斷。
4、驅動電路結構簡單可靠、損耗小。
5、根據情況施加隔離。
模塊電源中的MOSFET驅動電路還有很多其它形式的驅動電路,對于各種各樣的驅動電路并沒有一種驅動電路是最好的,只有結合具體應用,選擇最合適的驅動。
烜芯微專業制造二極管,三極管,MOS管,橋堆等20年,工廠直銷省20%,4000家電路電器生產企業選用,專業的工程師幫您穩定好每一批產品,如果您有遇到什么需要幫助解決的,可以點擊右邊的工程師,或者點擊銷售經理給您精準的報價以及產品介紹
烜芯微專業制造二極管,三極管,MOS管,橋堆等20年,工廠直銷省20%,4000家電路電器生產企業選用,專業的工程師幫您穩定好每一批產品,如果您有遇到什么需要幫助解決的,可以點擊右邊的工程師,或者點擊銷售經理給您精準的報價以及產品介紹

